Atlas Copco QAX 30, 1000h

1 890kr exkl. moms

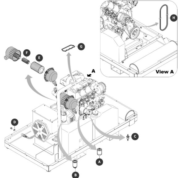
Servicekit QAX 30 1000h

Beskrivning

Atlas Copco QAX 30 1000h servicekit

Atlas Copcos servicekit innehåller original reservdelar för 1000h service av Atlas Copco QAX 30.

Innehåller:

  • Oil filter element
  • Filter element
  • Prefilter
  • Flat gasket
  • Air filter
  • Filter air
  • Rocker cover
  • Fuel filter